Projeto 005 Roleta Digital
07/06/2012 10:40
DIGITAL ROULETTE.
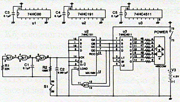
Vamos construir uma roleta eletrônica que pode mostrar um valor numérico de 0 -- 9, usando um CI contador e um display LED de 7 segmentos.
Posicione a chave de alimentação para a posição ON. Você pode ver a variação do display LED de 7 segmentos.
A roleta digital roda com velocidade alta (50Hz). Qual é o número no display? Parece com o número 8, certo? Na realidade, os números de 0 -- 9 aparecem em ordem muito rápido. Pressione S1, e o display pára em um número.
Você pode brincar com a roleta eletrônica quantas vezes quiser, solte e pressione S1 novamente.
Veja também projeto 95.
Diagrama Esquemático

Link para YouTube: www.youtube.com/watch?v=etsB4FdneIY&feature=youtu.be